Home
Inloggen
Home
|
Levering & betaling
|
Over ons
|
Contact
|
Uw winkelwagen
Models (1998 - 2025)
Quattroporte 4
3200 GT
Gransport
4200 GT Spyder
Quattroporte 5
GranTurismo
GranCabrio
[ .. ]
|
1998 - Heden
|
Quattroporte 4 (1994-2000)
|
Quattroporte V8
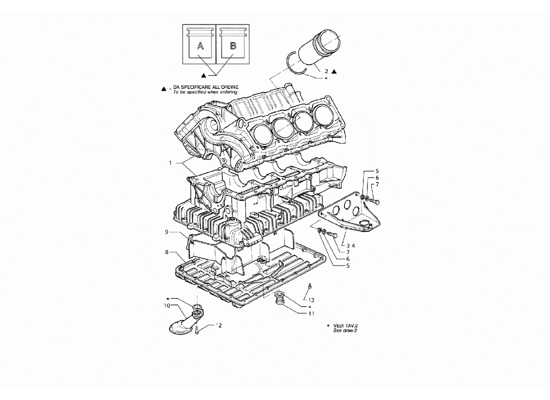
| 003 Engine Block And Oil Sump
003 Engine Block And Oil Sump
Klik op het plaatje voor een grotere versie
Artikel
Prijs (ex.BTW)
001 Cylinder Block Assy
(momenteel) niet leverbaar
002 Liner
€196,47
003 L.h. Engine Support
€36,64
004 R.h. Engine Support
€36,64
005 Allen Screw
(momenteel) niet leverbaar
006 Bolt
(momenteel) niet leverbaar
007 Flat Washer
(momenteel) niet leverbaar
008 Engine Oil Sump
€119,78
008 Lock Washer
€0,10
009 Oil Sump Plate
€7,28
010 Oil Scoop
€14,31
010 Screw
(momenteel) niet leverbaar
011 Oil Sump Drain Plug
€1,10
Categorieën
8 - Heden
>
0 GT (1998 - 2001) >
0 Gransport (2004 - 2007) >
0 Spyder >
GranCabrio (2010 - 2011) >
GranTurismo (2008 - Heden) >
Quattroporte 4 (1994-2000)
>
Quattroporte V6 >
Quattroporte V6 EVO >
Quattroporte V8
>
Quattroporte V8 EVO >
Quattroporte 5 (2003 - Heden) >
Motoren en toebehoren
Gaskets And Seals For Heads Overhaul
Gaskets And Oil Seals For Block Overhaul
Engine Block And Oil Sump
Fastenings And Block Accessories
Crankshaft, Pistons, Conrods & Flywheel
Cylinders Heads, R.h. Frame
Cylinders Heads, L.h. Frame
Timing
Timing Control
Timing Control
Oil Pump And Water Pump
Engine Oil Cooling
Auxiliary Services Vacuum System (rhd)
Auxiliary Services Vacuum System (lhd)
Turboblowers And Exhaust Manifolds
Turbo Cooling Pipes
Turboblowers Lubrication
Boost Control System
Pop-off Valve System
Intake Manifold And Injection System (rhd)
Intake Manifold And Injection System (lhd)
Intake Manifold And Injection System
Air Filter And Ducts
Oil Vapour Recovery
Heat Exchanger - Pipes - L.h. Side
Heat Exchanger - Pipes - R.h. Side
Ignition System (rhd)
Ignition System (lhd)
Ignition System: Sensors
Alternator And Support
Starting Motor
Engine Cooling Pipes And Thermostat (rhd)
Engine Cooling Pipes And Thermostat (lhd)
Engine Cooling System Box And Thermostat
Radiator And Cooling Fans
Evaporation Vapours Recovery System And Fuel Pipes (rhd)
Evaporation Vapours Recovery System And Fuel Pipes (lhd)
Onderhoud en snellopers
Gaskets And Seals For Heads Overhaul
Gaskets And Oil Seals For Block Overhaul
Oil Pump And Water Pump
Air Filter And Ducts
Air Compressor And Brackets
Electriciteit
Intake Manifold And Injection System (rhd)
Intake Manifold And Injection System (lhd)
Intake Manifold And Injection System
Ignition System (rhd)
Ignition System (lhd)
Ignition System: Sensors
Alternator And Support
Starting Motor
Electrical System: Engine Compartment (rhd)
Electrical System: Engine Compartment (lhd)
Electrical System: A.b.s. And ''koni'' Suspension (rhd)
Electrical System: A.b.s. And ''koni'' Suspension (lhd)
Electrical System: Boot/doors/passanger Compartment (rhd)
Electrical System: Boot/doors/passanger Compartment (lhd)
Electrical System: Dashboard And Battery (rhd)
Electrical System: Dashboard And Battery (lhd)
Audio System
Anti Theft System
Borletti Instrumentation
Switches And Steering Lock (rhd)
Switches And Steering Lock (lhd)
Instrument Panel (rhd)
Instrument Panel (lhd)
Instrument Panel : Vehicles With Double Airbag
Console
Seats: Structures And Accessories
Heating Pump
Front Exhaust System
Windscreen Wiper And Washer (rhd)
Windscreen Wiper And Washer (lhd)
Koelsysteem
Engine Cooling Pipes And Thermostat (rhd)
Engine Cooling Pipes And Thermostat (lhd)
Engine Cooling System Box And Thermostat
Radiator And Cooling Fans
Koppeling
Clutch
Pedal Assy And Clutch Pump (rhd)
Pedal Assy And Clutch Pump (lhd)
Versnellingsbak en aandrijving
Clutch
Getrag Manual Transmission - 6 Speed
Getrag Transmission - 6 Speed: Outside Controls
Automatic Transmission - Oil Radiator
Automatic Transmission - Outside Controls
Automatic Transmission - Internal Parts
Propeller Shaft And Carrier
Differential - External Parts
Differential - Internal Parts
Abs Hydraulic Brake Lines (rhd)
Abs Hydraulic Brake Lines (lhd)
Remmen
Handbrake Control
Hubs And Front Brakes With A.b.s.
Hubs, Rear Brakes With A.b.s. And Drive Shafts
Onderstel en stuurinrichting
Steering Column
Steering Box Front Subframe
Power Steering System (rhd)
Power Steering System (lhd)
Front Suspension
Stalibilizer Bar
Front Shock Absorber
Rear Suspension
(pre-mod) Rear Suspension With Anti-roll Bar
(post-mod) Rear Suspension With Anti-roll Bar
Rear Shock Absorber
Hubs And Front Brakes With A.b.s.
Hubs, Rear Brakes With A.b.s. And Drive Shafts
Steering Wheel With Airbag
Brandstof systeem
Fuel Tank
Interieur
Audio System
Borletti Instrumentation
Switches And Steering Lock (rhd)
Switches And Steering Lock (lhd)
Instrument Panel (rhd)
Instrument Panel (lhd)
Instrument Panel : Vehicles With Double Airbag
Console
Steering Wheel With Airbag
Boot: Carpets
Inner Trims: Roof (rhd)
Inner Trims: Roof (lhd)
Inner Trims: Pillars
Inner Trims: Front Door Panels (rhd)
Inner Trims: Front Door Panels (lhd)
Inner Trims: Rear Door Panels
Front Seat
Rear Seat Upholstery
Seats: Structures And Accessories
Seat Belts
Rear View Mirrors
Passenger Compartment Carpets (rhd)
Passenger Compartment Carpets (lhd)
Passenger Compartment Carpets: Vehicles With Double Airbag
Insulation (rhd)
Insulation (lhd)
Passenger Compartment Ventilation (rhd)
Passenger Compartment Ventilation (lhd)
Heating Pump
Automatic Air Conditioner Assy (rhd)
Automatic Air Conditioner Assy (lhd)
Automatic Air Conditioner Assy (rhd)
Automatic Air Conditioner Assy (lhd)
Bonnet And Engine Compartment Covers (rhd)
Bonnet And Engine Compartment Covers (lhd)
Boot Lid: Hinges, Boot Lid Release
Front Doors: Hinges And Inner Controls
Rear Doors: Hinges And Inner Controls
Front Doors: Windows And Regulators
Rear Doors: Windows And Regulators
Verlichting
Front Lights (rhd)
Front Lights (lhd)
Rear Lights
Carrosserie, chassis en bumpers
Front Lights (rhd)
Front Lights (lhd)
Rear View Mirrors
Body Shell: Outer Panels (rhd)
Body Shell: Outer Panels (lhd)
Body Shell: Front Panel And Inner Wheelarches
Body Shell: Side Panels
Body Shell: Rear Outer Structure
Body Shell: Boot Floor And Inner Structures
Bonnet: Hinges And Bonnet Release
Bonnet And Engine Compartment Covers (rhd)
Bonnet And Engine Compartment Covers (lhd)
Boot Lid: Hinges, Boot Lid Release
Front Doors: Hinges And Inner Controls
Rear Doors: Hinges And Inner Controls
Front Doors: Windows And Regulators
Rear Doors: Windows And Regulators
Fixed Windows
External Finishing - Badges
External Seals
Front Bumper
Rear Bumper
Windscreen Wiper And Washer (rhd)
Windscreen Wiper And Washer (lhd)
Rear Lights
Accessoires, merchandising
Tools
External Finishing - Badges
Diversen
Tools
Uitlaatsysteem
Front Exhaust System
Rear Exhaust System
Ruiten
Fixed Windows
Velgen
Wheels Rims
Airco systeem
Air Conditioning System (rhd)
Air Conditioning System (lhd)
Air Compressor And Brackets
Gransport >
Home
Sitemap
Privacy
Terms and conditions Arese Trade bv
Verzending
Disclaimer
Copyright © 2025
Maserati Spares